This product is currently not available.
- Article number: AS16721
- Manufact./Publisher: Cockpit Simulator
Get the CS 737TQ-MAX together with the TQ Base with Fire Protection Panel as a... more
Product information "Cockpit Simulator - CS 737TQ-MAX + TQ Base with Fire Protection Panel"
Get the CS 737TQ-MAX together with the TQ Base with Fire Protection Panel as a complete package – all-in-one for your 737 home cockpit!
FEATURES | CS 737TQ-MAX
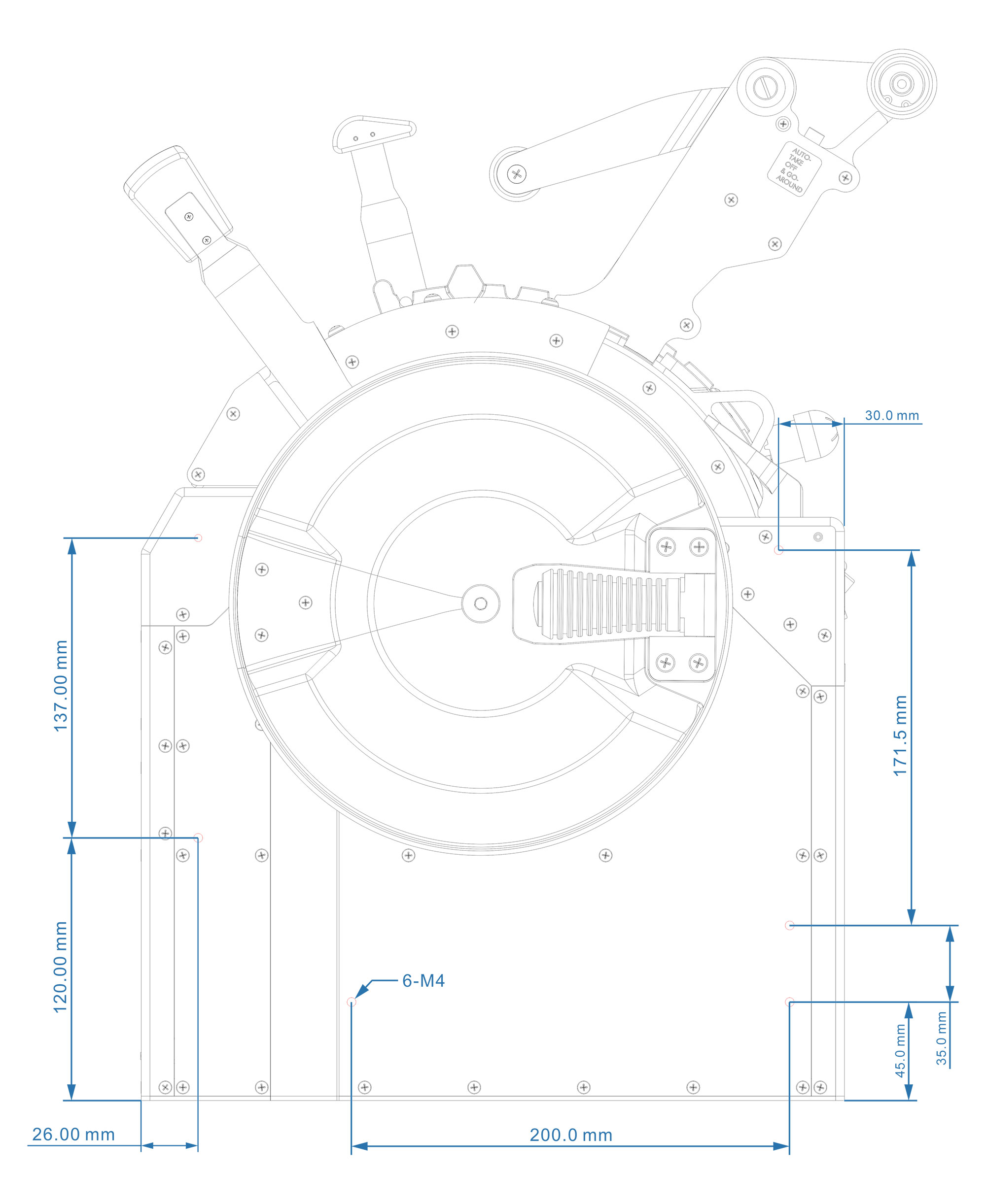
- 1:1 true-to-scale all-metal main structure
- Compliant with European EASA FNPT II and U.S. FAA FTD Level 5, approaching Level D standards
- 4 high-torque brushless motors and 5 stepper motors, enabling motorized operation of throttle levers, speed brakes and trim system
- Independent signals for left and right thrust lever (forward and reverse thrust)
- Manual override when auto-throttle is engaged
- Built-in mechanical interlock prevents reverse thrust levers from being raised unless forward levers are fully retarded. Likewise, forward thrust levers cannot be advanced if the reverse levers are not fully stowed
- Two independent A/T DISENGAGE buttons and two TO/GA buttons, each with its own signal channel
- When armed, the speed brake lever will automatically deploy when aircraft has landed. When reversers are pulled up, the speed brake lever is automatically lifted out to the DOWN detent
- After deployment, the speed brake lever automatically retracts when the forward thrust levers are advanced beyond a certain threshold
- Flight Detent Lock: A locking mechanism is implemented at the FLIGHT detent to prevent movement to the UP position while airborne, based on simulated aircraft status
- Electrically driven trim wheel rotation synchronized with in-flight trim status with adjustable/customizable trim speed
- Trim wheel equipped with foldable handles for manual trim adjustment
- Dual trim position indicators on both sides move in real-time based on aircraft state
- Trim cutout switches feature protective safety covers to prevent accidental activation
- Flap lever includes 9 detent slots with mechanical resistance at positions 1 and 15, fully replicating real aircraft operation
- Engraved panel with integrated backlighting
- Thanks to the fully motorized system, thrust levers, trim wheel and speed brake lever all these components will automatically synchronize with the in-software aircraft status
- Machinal linked reverse thrust lever and speed brake lever (pulling the reverse lever raises the speed brake lever)
- Speed brake lever with ARM position trigger
- Separate speed brake position indication panel part (for aircraft with speed brake 50% position; replace yourself)
- Stabilizer trim wheel with mechanical stop position lock
- Motorized stabilizer trim indicator
- Motorized parking brake pull-release lock
- Parking brake warning light with "push-to-test" function
- Landing gear warning cutout switch (HORN CUTOUT)
- Overheat/Fire Protection Panel
- 8x Warning lights including 7 amber ones and 1 red one, equipped with push-to-test function
- 3x Green extinguisher test switches with push-to-test function
- 4x Switches including 2 pull-to-switch overheat detectors and 2 spring-loaded test switches
- 1x Realistic appearance bell cutout switch
- Independent engine start levers with illuminable engine fire indicator
FEATURES | TQ BASE
- Real-aircraft-dimensions enclosure
- Document holders on both sides
- Cup holders on both sides
- Fully functional fire control panel: 3 fire handles with solenoid unlock, full panel backlighting, and indicator lights with push-to-test function
PACKAGE CONTENTS
- CS737TQ-MAX
- TQ Base with Fire Protection Panel
- USB-C to USB-A cable
- Power adapter
CONNECTORS
- USB-C to USB-A
SUPPORTED AIRCRAFT LIST
- PMDG 737NGXu (all variants) | P3Dv4/v5
- PMDG 737NG3 (all variants) | MSFS2020/2024
- B737-800X Zibo mod | X-Plane 11/12
- ProSim B738/B38M
- iFly 737MAX (with limited Autothrottle following function) | MSFS2020/2024
Related links to "Cockpit Simulator - CS 737TQ-MAX + TQ Base with Fire Protection Panel"
MANUFACTURER
Hainan Dingsan Technology Co., Ltd.
No.16 Guomao North Road, Jinmao Street, Longhua District, Haikou, Hainan, China
info@cockpit-simulator.com
RESPONSIBLE PERSON IN THE EU
Aerosoft GmbH
Lindberghring 12, 33142 Büren, Germany
info@aerosoft.com
WARNINGS
Keep devices away from water, out of reach of children and pets.
NEW
